
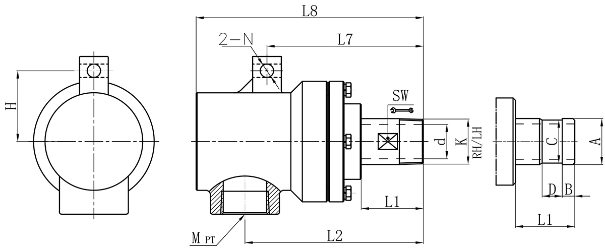
| Model | K | M | d | L1 | L2 | L7 | L8 | N | H | SW | 法蘭式外管尺寸對照表 | |||
| A | B | C | D | |||||||||||
| 20A | R3/4" | Rc3/4" | 18 | 49 | 141 | 125 | 170 | 10 | 56 | 24 | 26 | 11 | 24 | 16 |
| 25A | R1" | Rc1" | 23.5 | 54 | 147 | 131 | 181 | 12 | 60 | 32 | 34 | 12 | 32 | 18 |
| 32A | R1-1/4” | Rc1-1/4" | 30 | 57 | 161 | 140 | 205 | 14 | 68 | 39 | 40 | 13 | 38 | 20 |
| 40A | R1-1/2” | Rc1-1/2" | 36 | 67 | 186 | 163 | 260 | 14 | 74 | 45 | 47.8 | 13 | 45 | 20 |
| 50 | R2” | Rc2" | 45 | 72 | 212 | 170 | 285 | 14 | 97 | 58 | 60 | 16 | 57 | 24 |
如屬規格品外,本公司可配合要求制作。
規格尺寸如有修改,恕不另行通知。
Copyright ?福建省閩旋科技股份有限公司 版權所有 閩ICP備05026600號 中機標準化研究院 網站建設:科偉網絡