
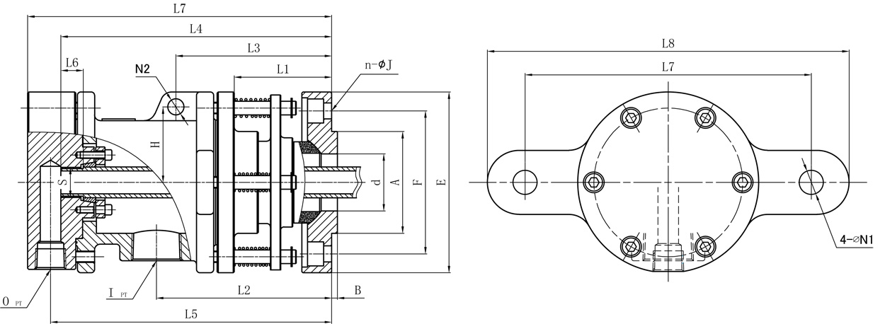
| Model | A | B | I | O | d | E | F | S | L1 | L2 | L3 | L4 | L5 | L6 | L7 | L8 | n-ΦJ | N1 | N2 | H |
| 40A | 89 | 5 | Rc1-1/4" | Rc3/4" | 50 | 158 | 125 | Rp3/4" | 85 | 153 | 136 | 236 | 245 | 20 | 250 | 326 | 4-Φ14 | 21 | 14 | 66 |
除以上規格品外,本公司可根據用戶要求特殊定制;
規格尺寸如有改動,恕不另行通知。
Copyright ?福建省閩旋科技股份有限公司 版權所有 閩ICP備05026600號 中機標準化研究院 網站建設:科偉網絡